| () [334] |
| sh dim 14 - clevis |
|
click [additional info] below image |
|
clevis
LINK SHOCK BLADDER |
vlpn [bi_vlpn_sclv] |
SR.CLV16.250H10 |
| done |
Y |
| |
|
| [clevis dimens from] |
2010 CRF 250 |
| |
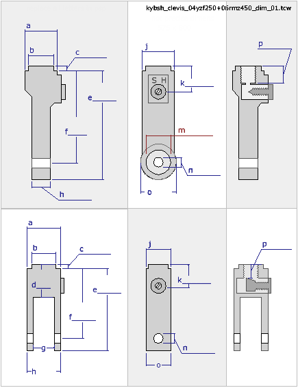
a [side width - top] [rnd] |
34.2 |
b [turned/shoulder widht] |
25.35 |
c [turned/shoulder ht] |
2.0 |
d [solid ht] [rnd] |
34.5 |
e [bott shoulder to bott] |
98.2 |
f [bott shoulder to eye] |
85.5 |
g [inside width] |
20.2 |
h [side width - bott] |
34 |
j [front width - top] |
26 |
k [top to reb center] |
23 |
m [bearing od] [rnd] |
- |
n [bolt od] [rnd] |
10.1 |
o [front width - bott] [rnd] |
26 |
p [inside thread ht] |
16.6 |
| |
|
w [threadPitch] [shdim 11 e]
[actual/relative] |
.3675r
calc = 0.3675 |
| x [taper of reb screw] |
20 |
| y [threadPitch reb screw] |
1.00 |
| z [clicks per turn] [shdim 11 f] |
4 |
|
| |
| Record count 5 for clevis |
| List of bikes with this part from bikeinfo table. |
| id's |
bike |
Untitled Document
(883) [334]
LINK SHOCK BLADDER |
2010 CRF 250 |
Untitled Document
(1155) [345]
LINK SHOCK BLADDER |
2011 CRF 250 |
Untitled Document
(1341) [388]
LINK SHOCK BLADDER |
2012 CRF 250 |
Untitled Document
(1502) [419]
LINK SHOCK BLADDER |
2013 CRF 250 |
Untitled Document
(1614) [432]
LINK SHOCK BLADDER |
2014 CRF 250 |
|
|
| |
[clevis img 240 x 420] |

 |
| [additional info] |
Untitled Document
comp_var = bi_vlpn_sclv SHOWA bikes that have [additional info] SR.CLV16.250H10 * SR.CLV16.250K08 SR.CLV18.450S14 SR.CLV18.450S06 SR.CLV16.125S01 SR.CLV16.250S04 SR.CLV16.250H07 SR.CLV16.250K06
|
|
| |
|
|
 |
 |